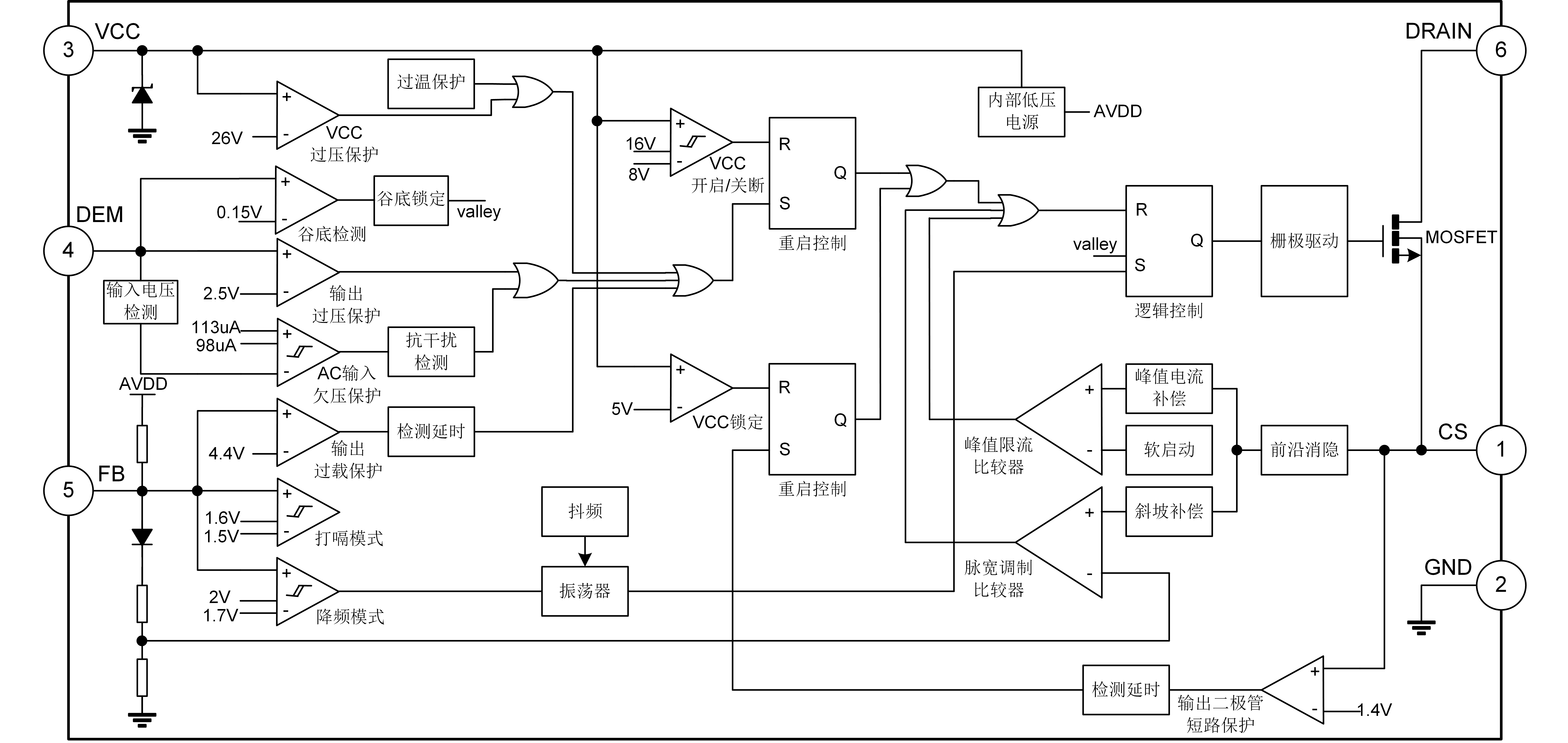
SD8665QS是用于開關電源的內置高壓功率MOSFET、外置采樣電阻的準諧振電流模式PWM+PFM控制器。
SD8665QS具有多重模式控制:在重載下,高壓時工作在QR模式,可以減小開關損耗,低壓時工作固定頻率(65KHz)的CCM模式。在中載和輕載下,工作在QR+PFM模式,可以提高轉換效率。在空載下,進入打嗝模式,有效地降低電路的待機功耗。
SD8665QS具有抖頻功能,以降低EMI。具有峰值電流補償功能,在不同的AC輸入電壓下能保持極限輸出功率一致。還有軟啟動功能,在上電過程中減小器件應力。
SD8665QS內部集成了各種異常狀態(tài)的保護功能,包括VCC過壓保護,輸出過載保護,輸出過壓保護,前沿消隱,逐周期峰值限流,輸出二極管短路保護,AC輸入電壓欠壓和過溫保護等。
QR模式改善EMI和減小開關損耗
輕載下的PFM模式提高效率
空載時進入打嗝模式
低壓重載升頻提高極限輸出功率
抖頻改善EMI
峰值電流補償
軟啟動
VCC過壓保護
輸出過載保護
前沿消隱
逐周期峰值限流
輸出二極管短路保護
AC輸入電壓欠壓保護
外部可設的輸出過壓保護
過溫保護
| 產品名稱 | 封裝形式 | 打印名稱 | 環(huán)保等級 | 包裝 | 備注 |
|---|---|---|---|---|---|
| SD8665QS | EHSOP-5-325-1.7 | SD8665QS | 無鹵 | 料管 | |
| SD8665QSTR | EHSOP-5-325-1.7 | SD8665QS | 無鹵 | 編帶 |

| 標題 | 類型 | 大小 (KB) | 日期 | 下載最新中文版本 |
|---|---|---|---|---|
| SD8665QS | 270 | 2023-08-24 | SD8665QS 簡要版說明書 |